

東莞撥動開關的概念:
簡單的說,東莞撥動開關就是通過撥動其執行機構(開關柄),來接通或斷開電路。它具有滑塊動作靈活、性能穩定可靠等特點,廣泛應用于電器、機械、通訊、數字影音、樓宇自動化、電子產品中。
東莞撥動開關的作用:
在電子工業行業中,撥動開關起著至關重要的作用。而且其成熟的撥動開關類型也已經超過了千款開關。其中,主要的就有貼片開關,智能開關,智能控制開關以及薄膜開關等不的型號以及產品,撥動開關可以滿足各行對于此類開關的不同需求。東莞撥碼開關在電子工業內還是非常有名的,而且其用途也非常廣泛。受到電子業界內的客戶的一致好評。而且目前我國國內自主生產研發的開關不僅在質量上面有保證,而且還可以提供多項專業的服務。產品大多是以物美價格廉來吸引客戶。所以說,我國目前生產的撥動開關不僅在價格上面占有很大的優勢而且產品的使用壽命更長。而且其在生產的工藝上面大部分都是采取了國際上面比較先進和成熟的技術。所以撥動開關在安全性以及穩定性上面也是非常高的。
東莞撥動開關的分類及其應用場所:
東莞撥動開關分為:小電流撥動開關和大電流撥動開關。小電流撥動開關常用在電子玩具,數碼通訊。大電流一般用在電器,機械等。大電流的撥動開關主要廣泛用于:各種儀器/儀表設備,各種電動玩具,傳真機,音響設備,醫療設備,美容設備,等其它電子產品領域!
東莞宇昌撥動開關m.oofykvm.cn。
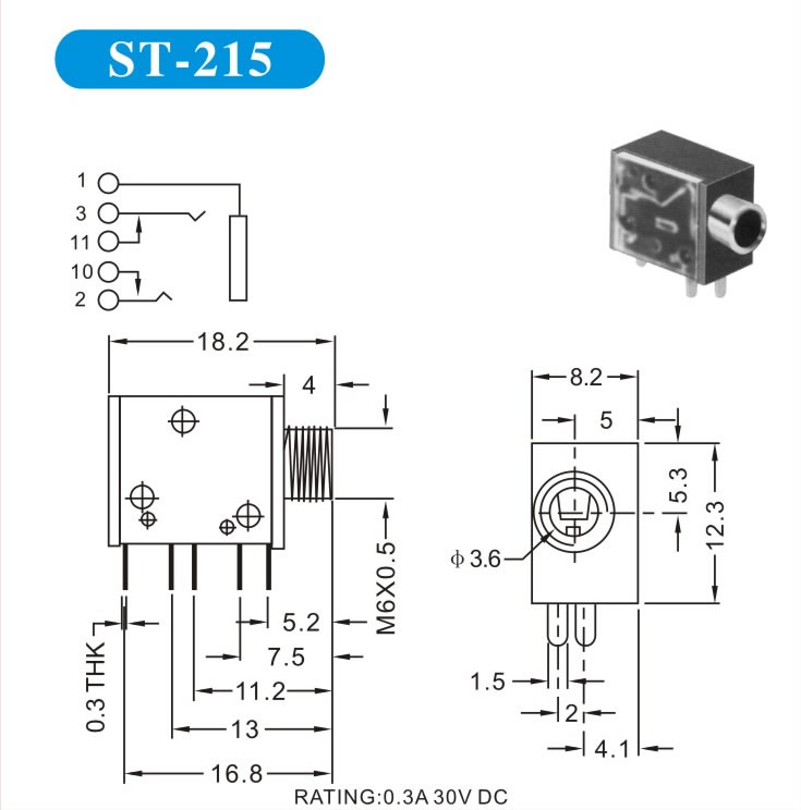
以下是本司ST-215系列撥動開關參數介紹:
產品規格:
| 性能 Function: | |
| 行程 Travell: | |
| 使用功率 Rating: | 9w |
| 切換類別 Timing(Optional): | |
| 接觸電阻 Contact resistance: | ≤100mΩ |
| 絕緣電阻 Insulation Resistance: | ≥100MΩ |
| 抵抗電壓 Withstand voltage: | AC 500V for 1 minute |
| 操作力 Oprating force: | |
| 使用壽命 Switching life: | 5000次以上 |
版權所有 地址:東莞市石碣鎮西南管理區 電話: 0769-86328659
傳真:0769-86373859
郵箱: lifeng.sgs@163.com 粵ICP備16089087號 網站地圖